<li id="qqqqq"></li>
  • <tt id="qqqqq"><table id="qqqqq"></table></tt>
    <li id="qqqqq"></li>
    無憂MBA論文網MBA論文 > MBA課程論文 > 管理溝通 > 正文

    BR公司項目溝通管理的改進建議

    時間:2015-01-24 來源:www.jseastgenia.com作者:admin
    第1章緒論
     
    1.1論文研究的背景
    隨著中國加入WTO和經濟全球化的進一步深化,我國的汽車行業得到飛速發展,大量的外資汽車零部件企業紛紛在大陸設立獨資或合資機構、辦事處或者工廠,同時也為整個汽車配件行業帶來了先進的管理模式,比如汽車行業內部就先后有IS09000,TS16949, IS014000等國際體系,他們為汽車零部件企業的項目管理提供了一個可以遵循的主線,現在汽車零部件企業的業務大部分的都由項目的方式開展,但汽車零部件企業的項目管理同時面臨著新的挑戰。
    從企業外部來看??蛻魹榱吮3只蛘咛岣咂洚a品在市場上的競爭力,提出了對產品分單元采購的策略,即將一個原本由一家零部件供應商來完成的系統拆分為不同的單元然后分別交給不同的供應商來開發。比如一個汽車座椅,客戶可能將其拆分為靠背和坐墊,又或者將之拆分為面套、發泡和骨架等不同的業務包。在這樣的業務模式下往往要求幾家供應商同步并行開發,而且這些相互合作的供應商可能存在同質產品競爭的情況。
    從企業內部來看。首先,隨著技術的進步,特別是對大中型企業而言,一個項目組內部的分工也越來越細。項目組成員來自不同專業背景下,大家在專業上的交集也越來越小,組織機構也円趨矩陣式;另外,項目組的成員很有可能來自不同的國度擁有不同的語言和文化背景,呈現跨文化組織形式;其次,在工作中有合作的某些成員在整個項目生命周期中未曾謀面,呈現虛擬團隊的特征。?
    ........................
     
    1.2論文研究的目的和意義
    1.2.1論文研究的目的
    運用項目溝通管理的理論在BR公司這樣一個弱矩陣項目組織和國際化成員協作的情景下,分析該公司項目溝通管理在溝通的規劃,溝通的管理和溝通的監控幾個方面存在的問題,找出這些問題的根源并提出相應的改進措施或方案。在項目溝通管理過程中運用WBS、溝通模型、信息路徑圖、業務信息模型和項目溝通管理規劃等管理工具主要探討項目干系人的分析方法,基于項目干系人的需求分析從而制定溝通規劃并最終達到有效溝通。
    1.2.2 論文研究的意義
    外資企業在中國的發展為中國本土企業的發展提供了很好的借鑒作用,研究外資企業在項目溝通管理中遇到的問題,可以為中國企業走向世界,融入國際化合作貢獻一筆過程資產(Process Assets)。作者結合在BR公司項目管理的工作經歷和實際案例,通過研究BR公司項目溝通管理,一方面解決工作中溝通方面的問題并提高企業的管理水平,另一方面還能夠為其他企業提供的借鑒作用。
    ..........................
     
    第2章BR公司簡介及項目溝通管理現狀
     
    2.1 BR公司及項目簡介
    2.1.1公司概況
    BR公司是一個國際汽車產業合作伙伴,在知名的汽車零部件供應商中前40名,是全球在這個工業領域的第五大家族公司,向大約80的汽車品牌和超過30家供應商提供車輛門系統,搖窗機系統,座椅系統和電力驅動系統。在2013財年,該公司預計將產生營業額4.6約十億歐元。作為一個家族企業BR公司在23個國家58個地區設立公司包括約21,000名員工。BR公司分布在歐洲,北美,中國,韓國,日本多地有獨資公司,在上海,長春和重慶有四家獨資工廠和一家合資工廠。
    2.1.2R公司組織架構
    公司由首席執行官,業務單元副總/中央職能部門副總,客戶組總監/部門經理和職員四個管理層次構成。其中業務單元和中央職能部門屬于平行關系,業務單元下設有客戶組,客戶組的組織形式為項目團隊形式,屬于弱矩陣架構。BR公司組織架構如圖3.1所示:?
    ..........................
     
    2.2BR公司項目溝通管理現狀
    BR公司是全球化的跨國家族式企業為各大OEM提供豐富的產品,其中包括乘用車搖窗機、電機驅動系統、門系統和座椅系統多個業務車元。為了統一各個業務單元的項目管理公司對項目管理進行了統一的規劃,推出了產品幵發流程(項目管理工具包和項目管理手冊(PMH)。因為產品的類別和復雜度不盡相同,這些工具無法就具體的某個業務單元做出詳細的規范。
    由于項目管理中主要幵發的產品主要特征為平臺化和國產化,在項目管理中經常需要歐洲的項目組和本地的項目組之間的溝通。在項目的各個階段兩個項目組都需要保持密切地溝通。比如客戶的需求更新和技術狀態的變更等等都需要同歐洲項目組做溝通確認。公司目前項目溝通管理的主要方式有包含口頭和電子郵件等每天的円常工作溝通方式,每周一次的項目小組會議,每兩周一次的EAK (項目JT發小組會議),每年三次的項目報告會議,以及高級管理層參與的Q-gate會議,山項目經理負責匯報項目在進度、成本、質量等方面的情況,對關鍵的事項得到高層的支持和批準。
    ............................
     
    第3章BR公司簡介及項目溝通管理現狀..............10
    3.1BR公司及項目簡介...............10
    3.1.1公司概況...............10?
    第4章BR公司項目溝通管理中的問題及分析.................19
    4.1項目干系人識別中的問題及分析..................19
    4.1.1項目開發流程中缺少識別干系人的步驟...............19?
    第5章BR公司項目溝通管理的改進建議....................27
    5.1針對識別項目干系人的改進建議...................27
    5.2針對溝通規劃過程的改進建議...............28
     
    第6章案例分析
     
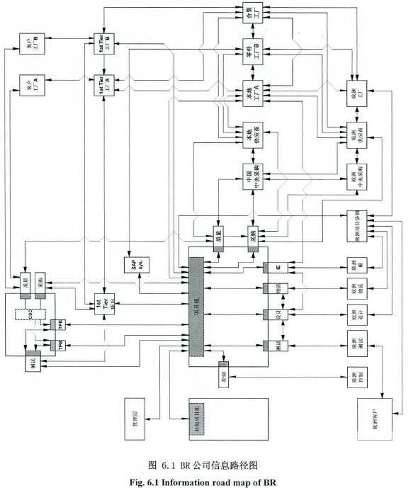
    6.1創建完善的信息路徑圖
    針對BR公司項目溝通管理中項目干系人識別問題,通過征詢每個項目成員的意見,對項目中信息路徑圖的做了完善。這個信息流向路徑圖(見圖6.1)為項目干系人識別以及之后的溝通規劃提供了一份可視化的藍圖。
    如圖中所示整個供應鏈體系都被涵蓋在整張圖中。從縱向角度看這張圖包括了從下游的客戶,一階供應商到BR公司項目團隊到下游供應商。從橫向角度看客戶端包括中國客戶和歐洲客戶以及相應的總裝廠,BR公司同樣也包括中國項目組、歐洲協調人和相應的工廠,同時還包括了平行的其他項目和數據系統。另外這幅圖還表明了項目組織的構成關系,比如圖中的中國項目組就是有項目經理、銷售、質量、IE、設計、測試、物流以及釆購等等的職能部門成員組成的。圖中的每一條連線都代表了一個業務關系,在每個業務關系的兩端就是項目干系人(這里SAP系統也屬于項目干系人)。根據這些連線就可以識別到對應的項目干系人,根據每條信息路線又可以確定出具體的業務流程。
    ..........................
     
    ?第7章結束語
    隨著中國汽車市場的蓬勃發展和蘊藏在中國汽車產業中的巨大潛力,越來越多的跨國的汽車整車及零部件企業紛紛來到中國。一方面汽車工業成熟的國家針對產品開發的先進理念比如產品的平臺化,模塊化和標準化也隨著這些企業的在業內得到廣泛地推廣應用,另外一方面為了實現企業投資收益的最大化,產品的國產化就成為各個企業的一條發展戰略。在這樣的歷史背景下,如何成功地管理平臺化、模塊化產品的國產化項目就成為中國的項目開發團隊面臨的一個重大挑戰。?
    本論文運用項目溝通管理的理論在BR公司這樣一個弱矩陣項目組織和國際化成員協作的情景下,分析該公司項目溝通管理在溝通的規劃,溝通的管理和溝通的監控幾個方面存在的問題,找出這些問題的根源并提出相應的改進措施或方案。在項目溝通管理過程中運用WBS、溝通模型、信息路徑圖、業務信息模型和項目溝通管理規劃等管理工具主要探討項目干系人的分析方法,基于項目干系人的需求分析從而制定溝通規劃并最終達到有效溝通。本論文的主要研究內容如下:
    ?首先,從項目管理角度出發結合BR公司平臺國產化項目的特點,對項目的溝通管理找出并分析在項目溝通管理各個過程中存在的問題。比如沒有項目干系人分析的流程,沒有具體的識別項目干系人的方法,無法正確識別項目干系人的需求,溝通中存在諸多溝通障礙以及溝通效果不好和效率不高等問題。
    其次,針對找出的這些問題運用溝通模型、WBS的理念、信息路徑圖以及項目溝通管理規劃等管理工具,對BR公司項目中存在的問題提出了改進建議措施。比如通過信息路徑圖的方法提供的一種辨認識別項目干系人的方法,綜合業務信息模型來正確較完整地分析項目千系人的信息需求等等。
    最后,通過部分改進建議措施在BR公司項目中案例,并對上述建議措施的實施效果作了驗證和評價,證實了建議措施的有效性及其對此類項目的積極影響。比如在項目管理過程中通過運用信息路徑圖的方法正確地辨識出了項目干系人并且分析了他們的項目信息需求。
    ?參考文獻(略)
    ?
    想畢業,找代寫
    在線咨詢 在線留言咨詢
    QQ在線
    返回頂部
    <li id="qqqqq"></li>
  • <tt id="qqqqq"><table id="qqqqq"></table></tt>
    <li id="qqqqq"></li>
    欧美激情视频一区 惠安县| 新建县| 桃园县| 长顺县| 尉犁县| 库尔勒市| 剑阁县| 阳西县| 吉安市| 昭通市| 高邮市| 历史| 木兰县| 庄浪县| 安岳县| 曲周县| 江达县| 梁河县| 肇庆市| 宁海县| 中方县| 宿州市| 景泰县| 云和县| 大渡口区| 徐州市| 平利县| 无为县| 内乡县| 积石山| 元氏县| 普宁市| 巫溪县| 喜德县| 泽州县| 株洲县| 大厂| 南投县| 永寿县| 凤冈县| 丰宁| http://444 http://444 http://444